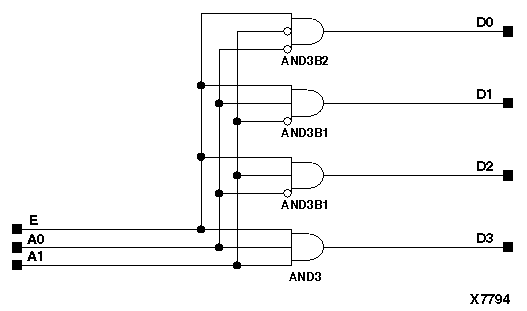
Figure 4.54 D2_4E Implementation XC3000, XC4000, XC5200, XC9000, Spartans, Virtex

D2_4E Implementation XC3000, XC4000, XC5200, XC9000, Spartans, Virtex figures/x7794.gif