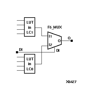
Figure 5.3 F5_MUX Representation

F5_MUX Representation figures/x6427n.gif