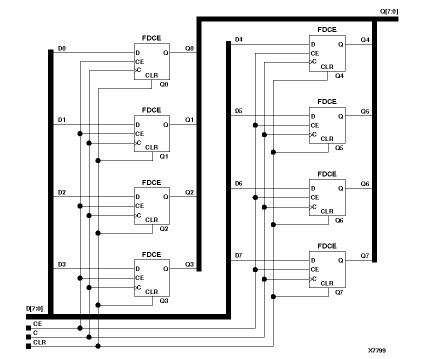
Figure 5.8 FD8CE Implementation XC3000, XC4000, XC5200, XC9000, Spartans, Virtex

FD8CE Implementation XC3000, XC4000, XC5200, XC9000, Spartans, Virtex figures/x7799.gif