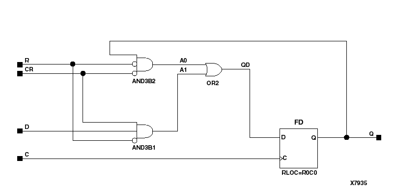
Figure 5.21 FDRE Implementation XC3000, XC4000, XC5200, Spartans

FDRE Implementation XC3000, XC4000, XC5200, Spartans figures/x7935.gif