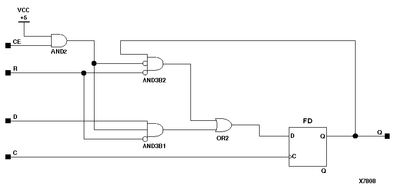
Figure 5.22 FDRE Implementation XC9000

FDRE Implementation XC9000 figures/x7808.gif