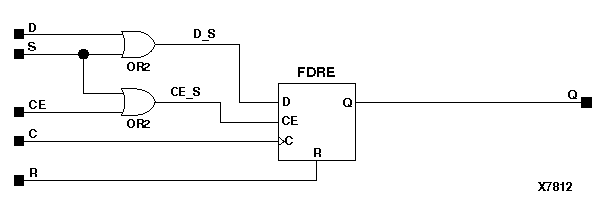
Figure 5.25 FDRSE Implementation XC3000, XC4000, XC5200, Spartans

FDRSE Implementation XC3000, XC4000, XC5200, Spartans figures/x7812.gif