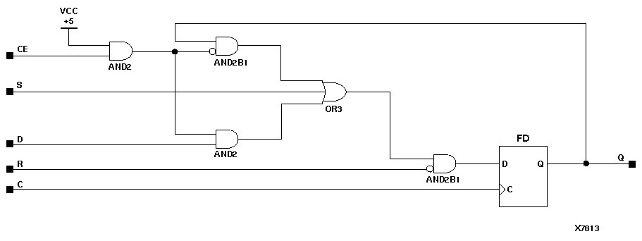
Figure 5.26 FDRSE Implementation XC9000

FDRSE Implementation XC9000 figures/x7813.gif