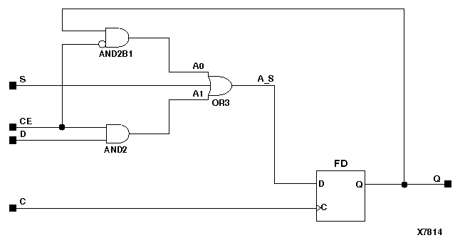
Figure 5.28 FDSE Implementation XC3000, XC4000, XC5200, Spartans

FDSE Implementation XC3000, XC4000, XC5200, Spartans figures/x7814.gif