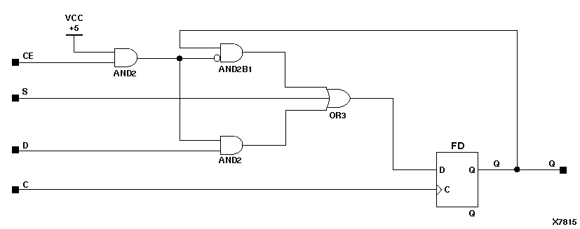
Figure 5.29 FDSE Implementation XC9000

FDSE Implementation XC9000 figures/x7815.gif