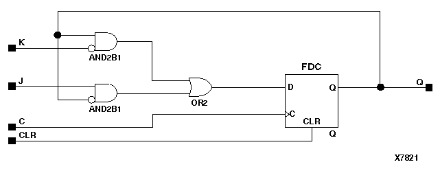
Figure 5.35 FJKC Implementation XC9000

FJKC Implementation XC9000 figures/x7821.gif