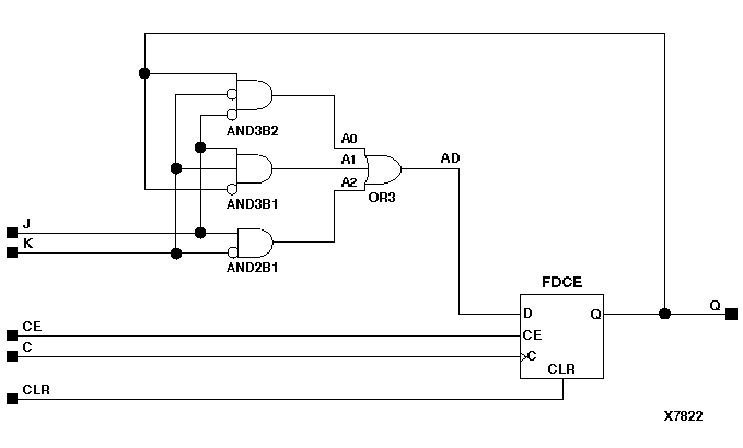
Figure 5.36 FJKCE Implementation XC3000, XC4000, XC5200, Spartans, Virtex

FJKCE Implementation XC3000, XC4000, XC5200, Spartans, Virtex figures/x7822.gif