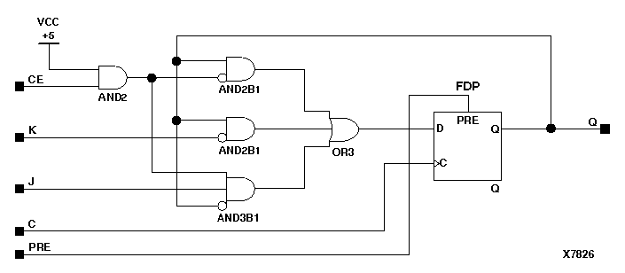
Figure 5.43 FJKPE Implementation XC9000

FJKPE Implementation XC9000 figures/x7826.gif