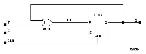
Figure 5.49 FTC Implementation XC3000, XC4000, XC5200, Spartans, Virtex

FTC Implementation XC3000, XC4000, XC5200, Spartans, Virtex figures/x7830.gif