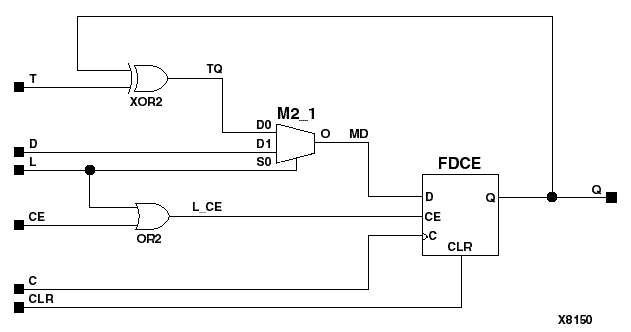
Figure 5.53 FTCLE Implementation XC3000

FTCLE Implementation XC3000 figures/x8150.gif