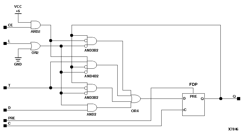
Figure 5.64 FTPLE Implementation XC9000

FTPLE Implementation XC9000 figures/x7846.gif