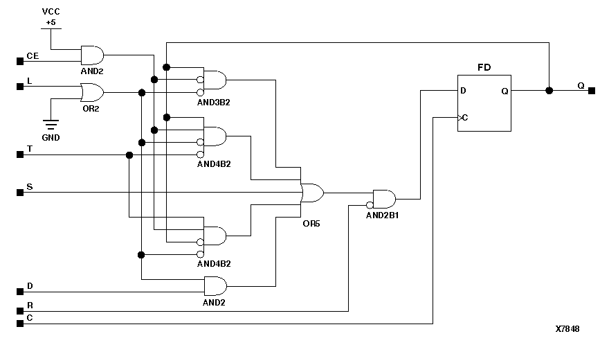
Figure 5.68 FTRSLE Implementation XC9000

FTRSLE Implementation XC9000 figures/x7848.gif