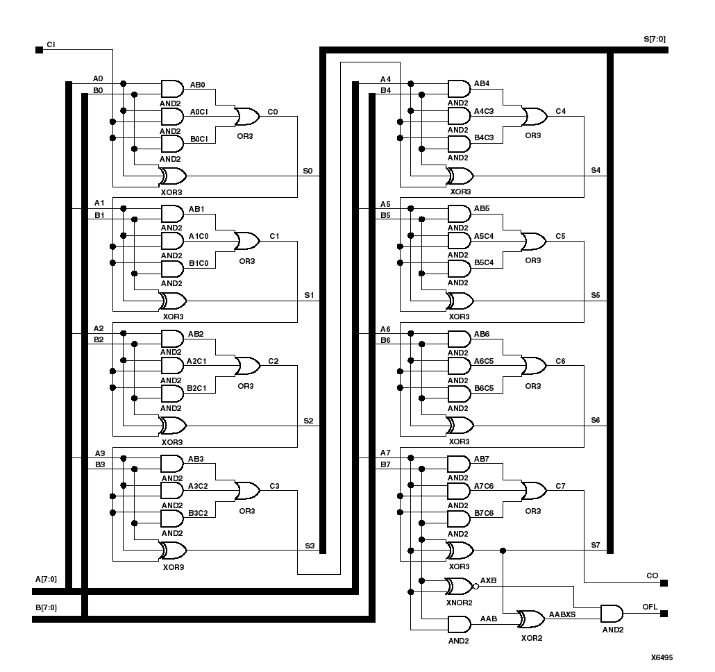
Figure 3.9 ADD8 Implementation XC3000

ADD8 Implementation XC3000 figures/x6495n.gif