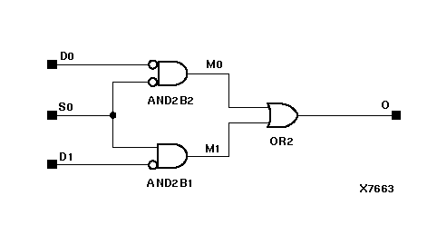
Figure 7.18 M2_1B2 Implementation XC3000, XC4000, XC5200, XC9000, Spartans, Virtex

M2_1B2 Implementation XC3000, XC4000, XC5200, XC9000, Spartans, Virtex figures/x7663.gif