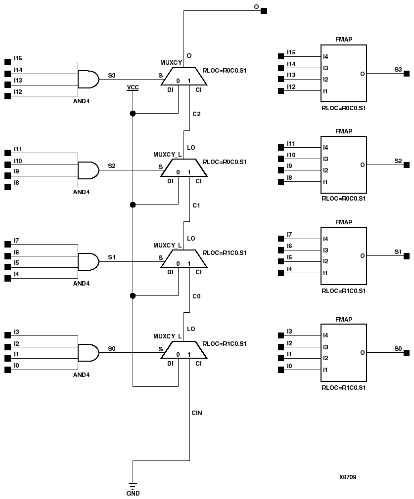
Figure 7.34 NAND16 Implementation Virtex

NAND16 Implementation Virtex figures/x8709.gif