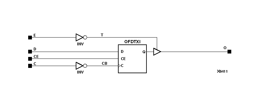
Figure 8.24 OFDEXI_1 Implementation XC4000, Spartans

OFDEXI_1 Implementation XC4000, Spartans figures/x6411n.gif