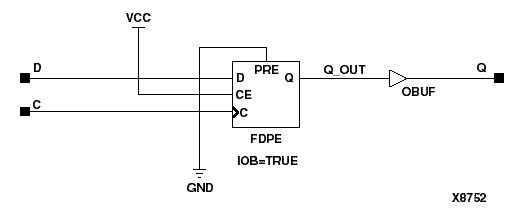
Figure 8.26 OFDI Implementation Virtex

OFDI Implementation Virtex figures/x8752.gif