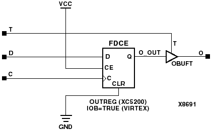
Figure 8.30 OFDT Implementation XC5200, Virtex

OFDT Implementation XC5200, Virtex figures/x8691.gif