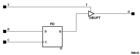
Figure 8.31 OFDT Implementation XC9000

OFDT Implementation XC9000 figures/x8043.gif