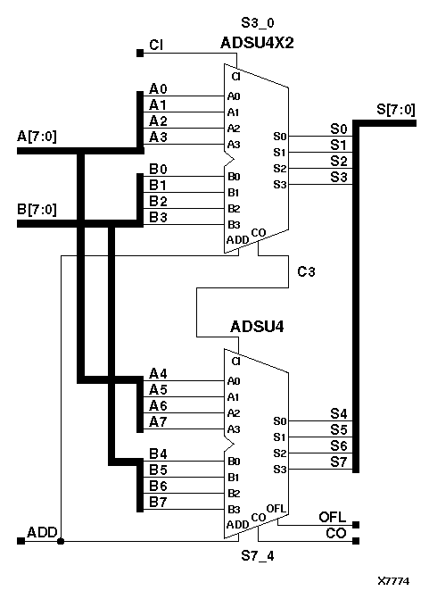
Figure 3.22 ADSU8 Implementation XC9000

ADSU8 Implementation XC9000 figures/x7774.gif