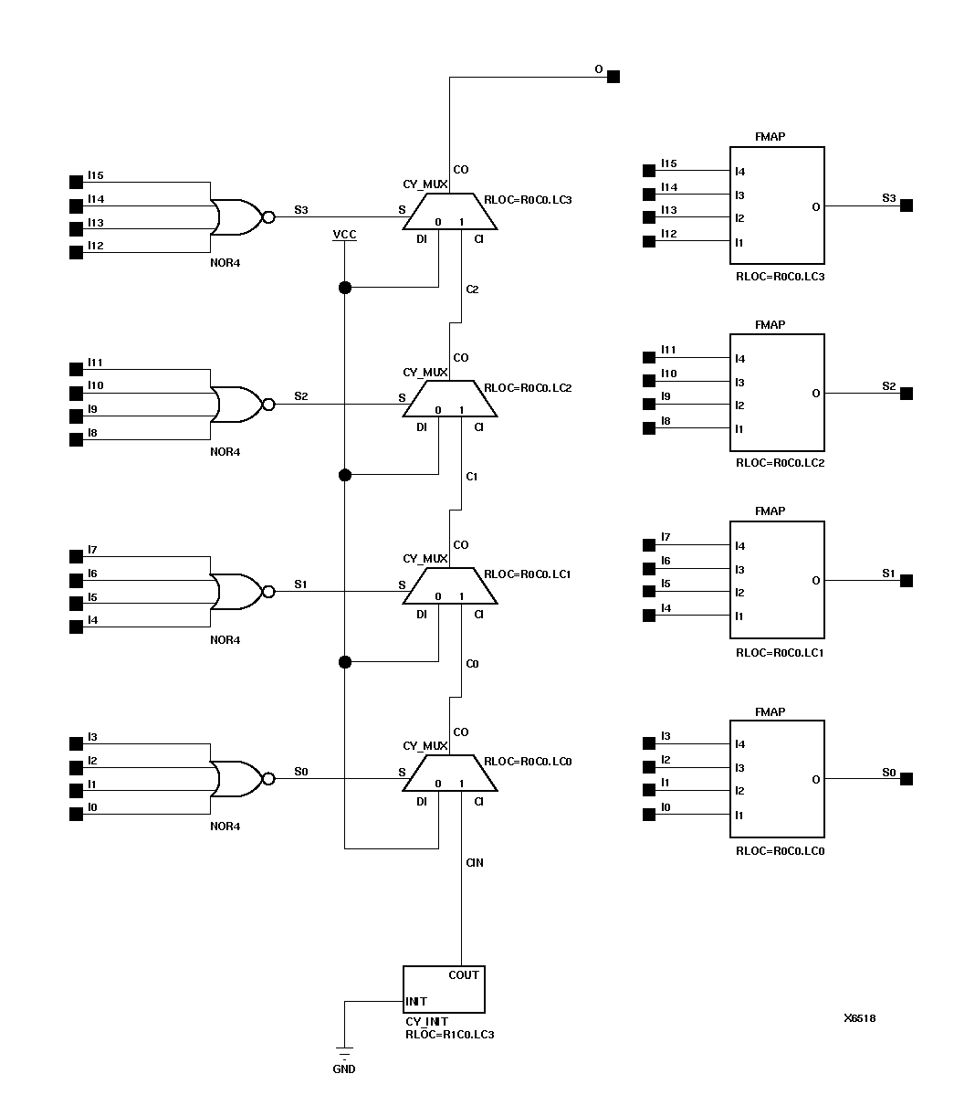
Figure 8.53 OR16 Implementation XC5200

OR16 Implementation XC5200 figures/x6518n.gif