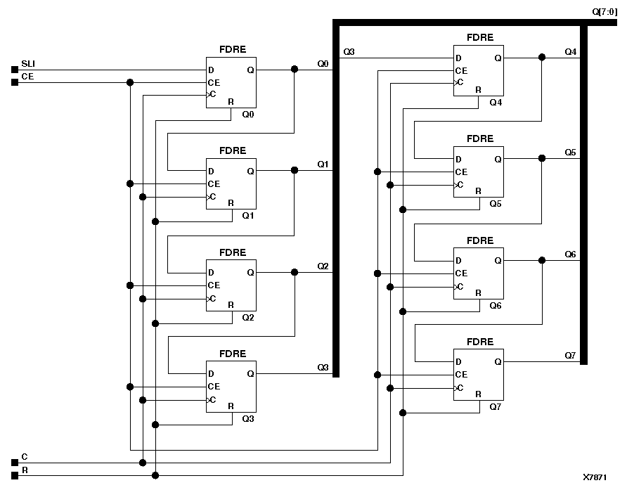
Figure 10.8 SR8RE Implementation XC3000, XC4000, XC5200, XC9000, Spartans, Virtex

SR8RE Implementation XC3000, XC4000, XC5200, XC9000, Spartans, Virtex figures/x7871.gif