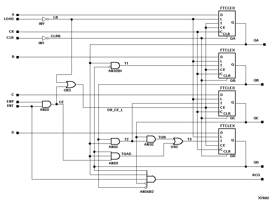
Figure 11.17 X74_160 Implementation XC4000, XC5200, Spartans

X74_160 Implementation XC4000, XC5200, Spartans figures/x7602.gif