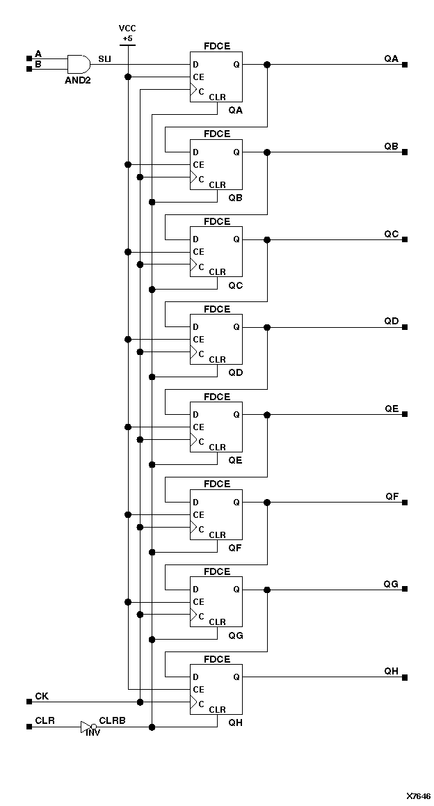
Figure 11.25 X74_164 Implementation XC3000, XC4000, XC5200, XC9000, Spartans

X74_164 Implementation XC3000, XC4000, XC5200, XC9000, Spartans figures/x7646.gif