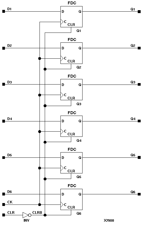
Figure 11.30 X74_174 Implementation XC3000, XC4000, XC5200, XC9000, Spartans

X74_174 Implementation XC3000, XC4000, XC5200, XC9000, Spartans figures/x7908.gif