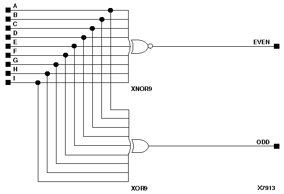
Figure 11.35 X74_280 Implementation XC9000

X74_280 Implementation XC9000 figures/x7913.gif