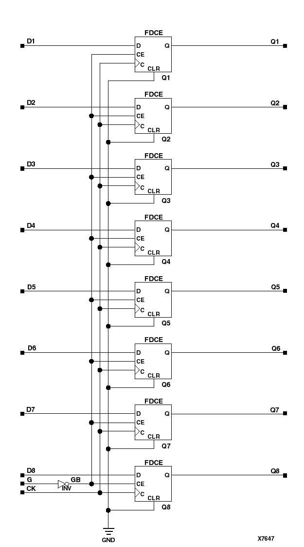
Figure 11.41 X74_377 Implementation XC3000, XC4000, XC5200, XC9000, Spartans

X74_377 Implementation XC3000, XC4000, XC5200, XC9000, Spartans figures/x7647.gif