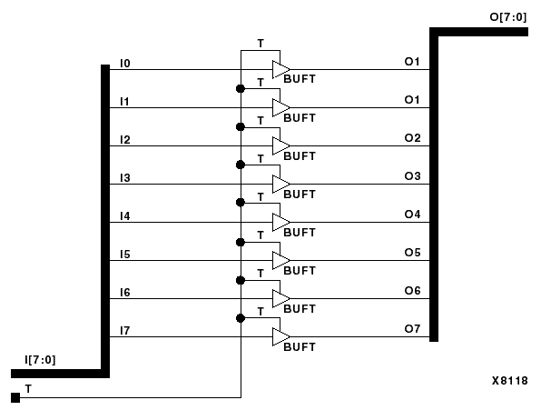
Figure 3.41 BUFT8 Implementation XC3000, XC4000, XC5200, XC9000, Spartans, Virtex

BUFT8 Implementation XC3000, XC4000, XC5200, XC9000, Spartans, Virtex figures/x8118.gif