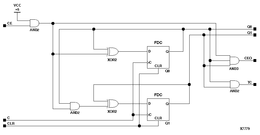
Figure 4.2 CB2CE Implementation XC9000

CB2CE Implementation XC9000 figures/x7779.gif