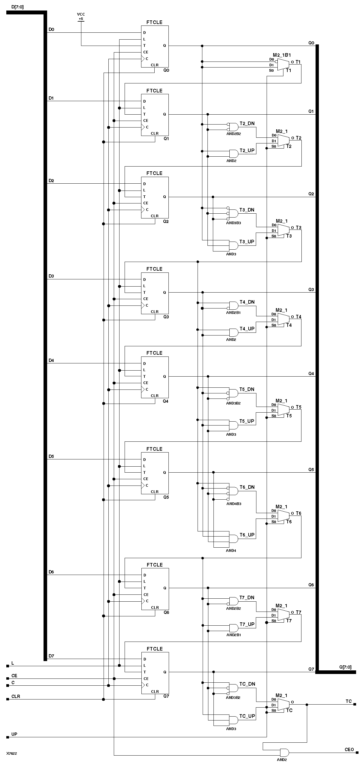
Figure 4.8 CB8CLED Implementation XC3000

CB8CLED Implementation XC3000 figures/x7622.gif