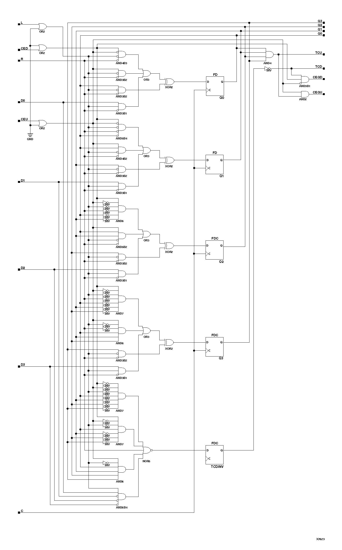
Figure 4.17 CB4X2 Implementation XC9000

CB4X2 Implementation XC9000 figures/x7623.gif