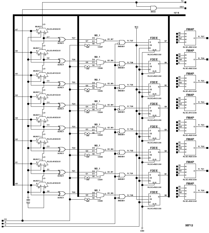
Figure 4.29 CC8RE Implementation Virtex

CC8RE Implementation Virtex figures/x8712.gif