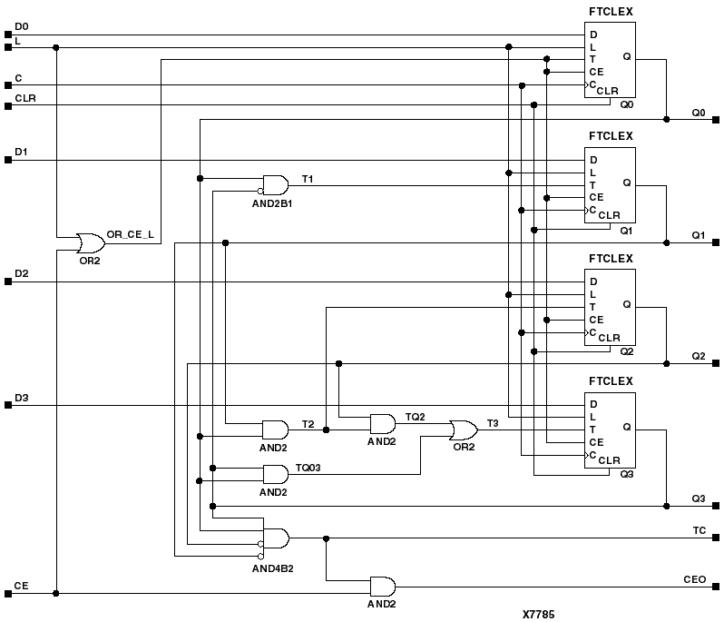
Figure 4.33 CD4CLE Implementation XC4000, XC5200, Spartans, Virtex

CD4CLE Implementation XC4000, XC5200, Spartans, Virtex figures/x7785.gif