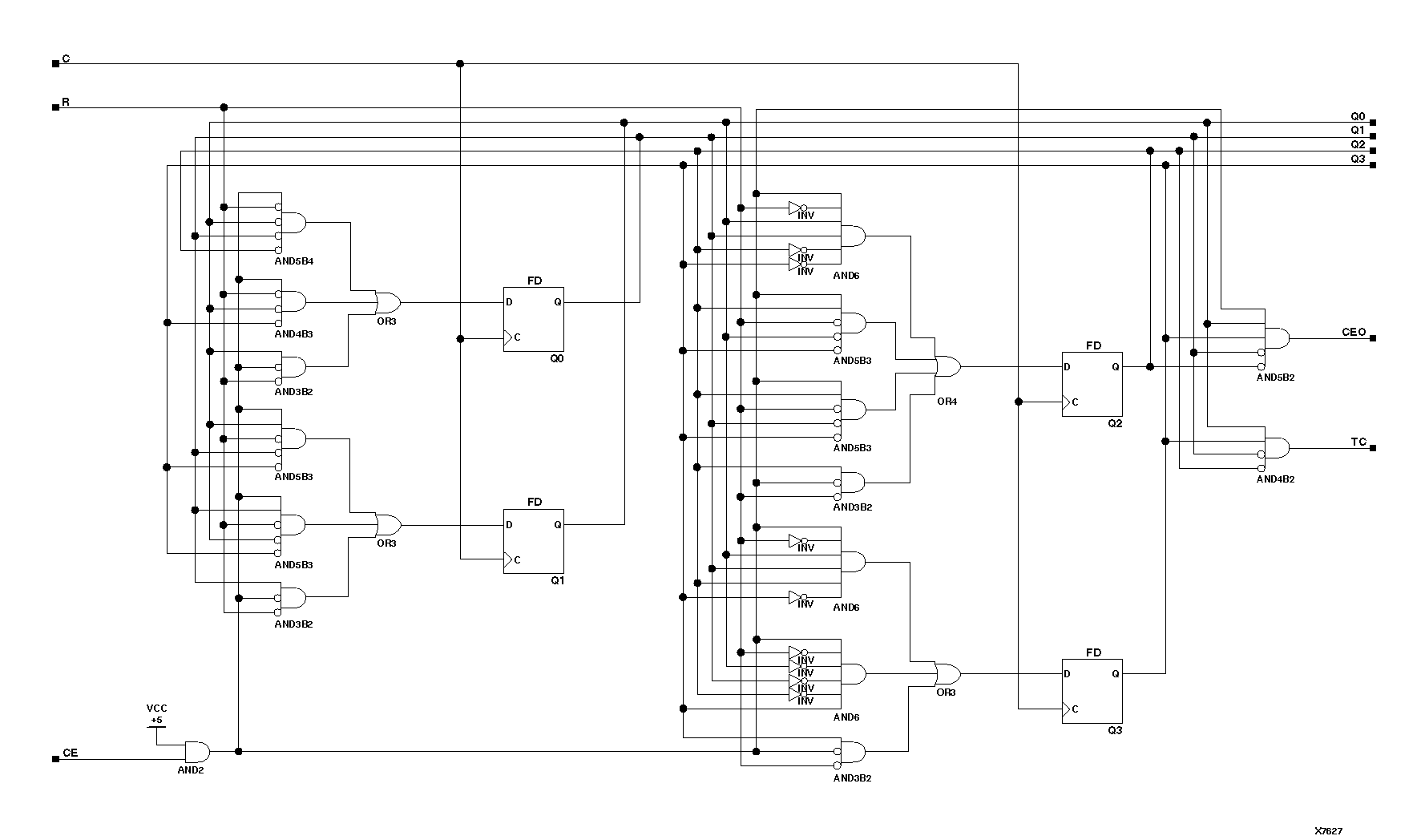
Figure 4.36 CD4RE Implementation XC9000

CD4RE Implementation XC9000 figures/x7627.gif