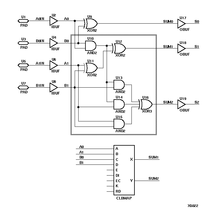
Figure 4.42 XC3000 CLBMAP Primitive Example and Equivalent

XC3000 CLBMAP Primitive Example and Equivalent figures/x5022n.gif