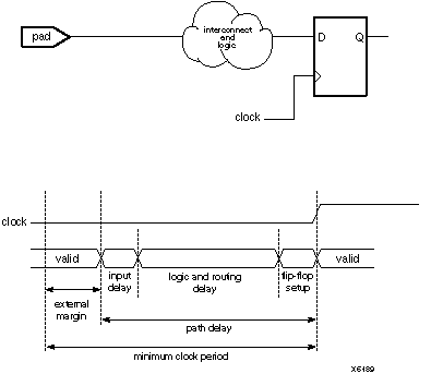
Figure 2.14 Pad-to-Setup Path

Pad-to-Setup Path figures/x6189.gif