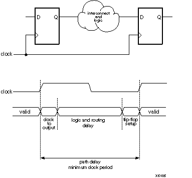
Figure 2.2 Clock-to-Setup Path (Same Clock) with Timing Diagram

Clock-to-Setup Path (Same Clock) with Timing Diagram figures/x6185.gif