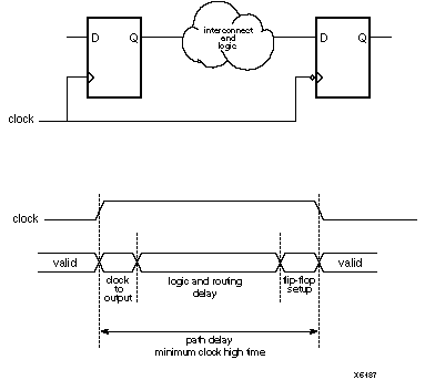
Figure 2.3 Clock-to-Setup Path (Rising to Falling Edge)

Clock-to-Setup Path (Rising to Falling Edge) figures/x6187.gif