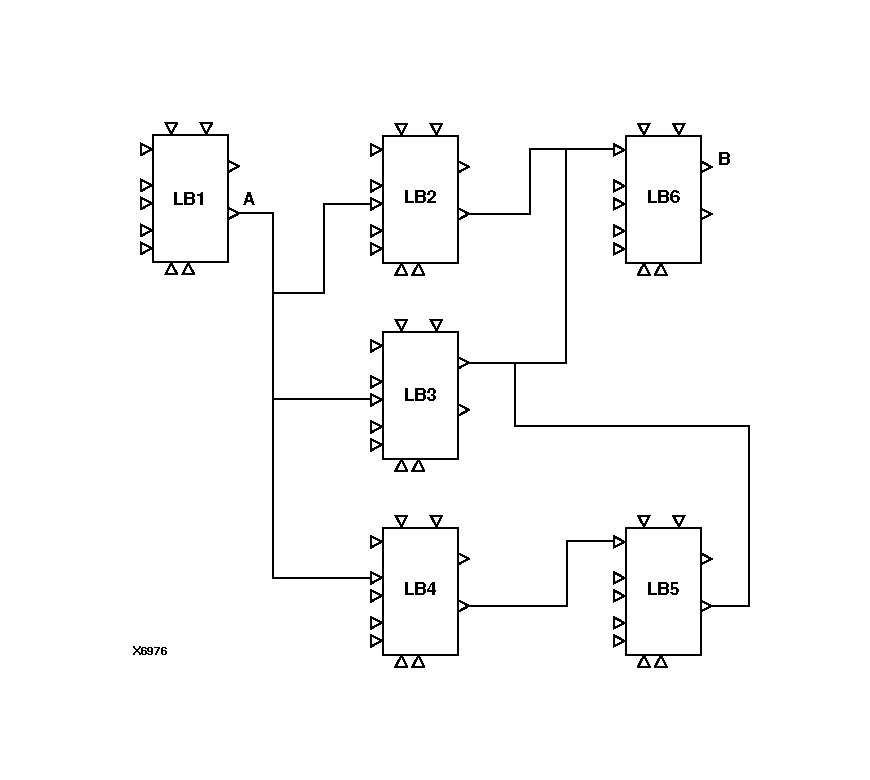
Figure A.1 Path Example

Path Example figures/x6976.gif