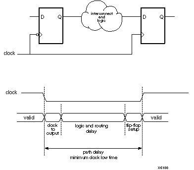
Figure 2.4 Clock-to-Setup Path (Falling to Rising Edge)

Clock-to-Setup Path (Falling to Rising Edge) figures/x6188.gif