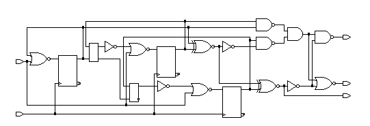
Figure 8.12 Synthesized Circuit with Three Implied Registers